Transformer for Electroplating Field

In high-power electroplating power supply applications, multi-pulse rectification technology combined with a phase-shifting autotransformer is consdered a highly efficient and reliable harmonic mitigation solution.

Overview of Harmonic Issues in Electroplating Power Supplies

Electroplating power supplies are crucial electrical equipment in the surface finishing industry. Due to their high operating power and long operating hours, their impact on the power grid is significant.
Traditional electroplating power supplies often generate a large amount of harmonic currents during the AC to DC conversion process, severely affecting the power supply system and related equipment.

With the continuous improvement of industrial automation, electroplating production lines have placed higher demands on power quality.
Therefore, how to effectively control and mitigate the harmonics generated by electroplating power supplies has become an important issue in enterprise power quality management.

Product or Solution Inquiry
Main Sources of Harmonics in Electroplating Power Supplies
Harmonics in Electroplating Power Supplies mainly originate from the rectification stage, including thyristor phase-controlled rectifiers and distorted input currents in switching power supplies.
  • Harmonics Generated by Thyristor Phase-Controlled Rectification
    Traditional electroplating power supplies commonly employ thyristor phase-controlled rectification technology. This technology controls the output voltage by adjusting the thyristor firing angle, but during operation, it draws non-sinusoidal pulse current from the power grid, resulting in a large number of low-order harmonics, such as:5th harmonic, 7th harmonic,11th harmonic,13th harmonic; These harmonics cause severe distortion of the power grid current waveform, thus affecting the stable operation of the entire power distribution system.
  • Harmonics Caused by Switching Power Supply Structure
    In recent years, to improve efficiency and reduce equipment size, many electroplating power supplies have adopted a switching power supply structure (rectifier + IGBT inverter). However, these systems typically use capacitor filtering circuits in the front end, resulting in a significant pulse characteristic in the input current, which also generates high harmonic content.
Impact of Harmonics on Power Systems
Harmonics generated by electroplating power supplies not only affect power grid quality but may also introduce various risks to industrial production.
  • 1

    Equipment Overheating and Reduced Lifespan

    Harmonic currents generate additional losses in equipment such as transformers, cables, and motors, leading to increased equipment temperature rise, accelerated insulation aging, and even equipment damage.
  • 2

    Electrical System Interference

    Harmonics generate high-frequency electromagnetic interference, affecting communication systems, automated control systems, and precision electronic equipment within the workshop. In severe cases, this can cause malfunctions or system failures.
  • 3

    Decreased Power Factor

    Harmonics reduce the overall power factor of the system. When the power factor falls below the power company's standard, the enterprise may need to pay additional electricity bill penalties.
  • 4

    Energy Waste and Safety Hazards

    Harmonic currents are essentially ineffective power, increasing system energy consumption and potentially causing transformer vibration, increased noise, and even, in extreme cases, overheating and fire risks.
Harmonic Mitigation Solutions for Electroplating Power Supplies
Currently, common harmonic mitigation methods in industrial applications mainly include the following approaches:
  • Passive Filters
    Passive filters consist of components such as inductors and capacitors. They absorb harmonics by providing a low-impedance path for specific harmonics.

    Advantages

    • Simple structure
    • Low cost
    • High reliability

    Disadvantages

    • Larger size
    • Only effective for fixed-order harmonics
    • May resonate with system impedance
  • Active Power Filters (APFs)
    Active power filters use power electronics technology to detect harmonics in real time and generate compensating currents of equal magnitude but opposite direction to cancel out the harmonics.

    Advantages

    • Strong dynamic compensation capability
    • Filtering effect can reach over 90%

    Disadvantages

    • Higher cost
    • Capacity limited by power devices
    • More suitable for small to medium power applications

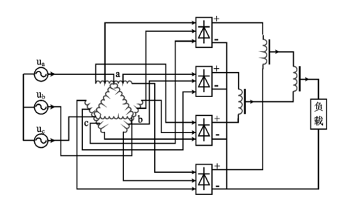
Principle of Phase-Shifting Autotransformers and Multi-Pulse Rectification

Multi-Pulse Rectification Structure

Common structures in multi-pulse rectification systems include:

  • 12-pulse rectification
  • 18-pulse rectification
  • 24-pulse rectification

Taking a 24-pulse rectification system as an example, the phase-shifting autotransformer generates multiple sets of three-phase voltages with specific phase differences (typically **15° phase difference**).
These voltages are respectively supplied to multiple rectifier bridges for rectification.

Harmonic Cancellation Principle

The harmonic currents generated by different rectifier bridges, due to their different phases, cancel each other out when superimposed on the primary side of the transformer using magnetomotive force.For example:

  • 5th harmonic
  • 7th harmonic
  • 11th harmonic
  • 13th harmonic

These lower harmonics are significantly weakened within the system, and what ultimately enters the power grid are mainly higher harmonics with smaller amplitudes (such as the 23rd and 25th harmonics), thereby greatly reducing the total harmonic distortion rate of the system.

.anchors2 h4
Technical Advantages of Phase-Shifting Autotransformers
Compared with traditional filtering solutions, this method suppresses harmonics at the source and is therefore widely used in large industrial power systems.
  • Excellent Harmonic Suppression Capability
    By employing multi-pulse rectification technology, the Total Harmonic Distortion of current (THDi) of the system's input current can typically be controlled within 5% to 8%, meeting the requirements of power quality standards.
  • High Equipment Capacity Utilization
    Autotransformers transfer power through a combination of electromagnetic coupling and direct conduction. Compared to traditional isolation transformers, their capacity requirements can be reduced by approximately **80% or more**, thereby reducing equipment size and improving system efficiency.
  • High Structural Reliability
    This solution mainly consists of iron core, windings, and insulation structure, without complex power electronic components. Therefore, it has the following advantages:Strong overload capacity, Stable operation, Simple maintenance. It is ideally suited for the continuous, high-power operation environment of electroplating workshops.
  • Improve System Power Factor
    Due to the reduction in harmonic content, the overall system power factor is significantly improved, which helps avoid power factor penalties and reduce the company's electricity costs.
Typical Application Fields of Phase-Shifting Autotransformers
Power supply systems based on multi-pulse rectification technology (phase-shifting autotransformer) have been widely adopted in many industrial sectors.
  • Aerospace and Defense Industry
    Surface treatment of key components
  • Automotive Manufacturing Industry
    Electroplating of ABS systems, shock absorbers, aluminum wheels, etc.
  • Machinery and Equipment Industry
    Surface strengthening of construction machinery and mining equipment
  • Steel and Shipbuilding Industry
    Continuous electroplating production lines and manufacturing of large components

Conclusion

Harmonics generated by electroplating power supplies mainly originate from the rectification stage and are a significant factor affecting industrial power quality.

By employing **multi-pulse rectification technology and a phase-shifting autotransformer**, active harmonic suppression can be achieved on the power supply side.
Harmonics generated by different rectifier bridges cancel each other out within the system, significantly reducing the harmonic current entering the power grid.

This solution offers the following advantages:

  • 1. High-efficiency harmonic mitigation
  • 2. High reliability
  • 3. High power factor
  • 4. Applicable to high-power industrial scenarios

Therefore, in high-power DC power supply applications such as electroplating, electrolysis, and metallurgy, the **phase-shifting autotransformer multi-pulse rectification solution** has become an important technological path for improving power quality and achieving green production.